В современных транспортных средствах системы доступа и безопасности играют ключевую роль в обеспечении защиты и комфорта. Отлаженные механизмы, отвечающие за автоматизацию процессов, значительно упрощают взаимодействие водителя с автомобилем. Понимание принципов работы этих систем позволяет лучше разбираться в их функционировании и обеспечивать необходимый уход и обслуживание.
Функциональная составляющая систем доступа разнообразна и включает в себя множество элементов, задача которых — обеспечить максимальную защиту автомобиля от несанкционированного доступа. Интеграция технологий, позволяющих управлять состоянием автомобиля дистанционно, стала важным шагом к повышению уровня безопасности, что особенно актуально в условиях современного мира.
В этой статье будет подробно рассмотрено, как функционируют элементы, отвечающие за эту систему, а также какие нюансы следует учитывать при их обслуживании. Мы сделаем акцент на понимании внутренней логики работы данных компонентов и предоставим полезные рекомендации по их эксплуатации.
- Обзор системы автоматического запирания дверей
- Основные элементы конструкции
- Принцип работы системы
- Преимущества автоматической системы закрытия дверей
- Частые проблемы и их решения
- Инструкция по настройке
- Обслуживание: советы и рекомендации
- Замена компонентов системы
- Устранение неисправностей
- Советы по повышению безопасности
- Отзывы владельцев
Обзор системы автоматического запирания дверей
Автоматическая система запирания дверей представляет собой важный элемент безопасности транспортного средства. Она обеспечивает удобство и защиту, позволяя владельцам чувствовать себя уверенно в различных ситуациях. Рассмотрим ключевые аспекты данной технологии, её функционал и преимущества.
- Комфортное использование: Система позволяет закрывать и открывать двери с помощью одного нажатия кнопки, что существенно упрощает доступ в салон.
- Безопасность: Внедрение современных технологий делает возможно предотвращение несанкционированного доступа, повышая уровень защиты автомобиля.
- Автоматизация: Большинство систем имеют функцию автоматического запирания при движении, что предотвращает случайное открытие дверей на ходу.
- Управление с пульта: Использование дистанционных пультов упрощает взаимодействие с системой, позволяя открывать и закрывать двери на расстоянии.
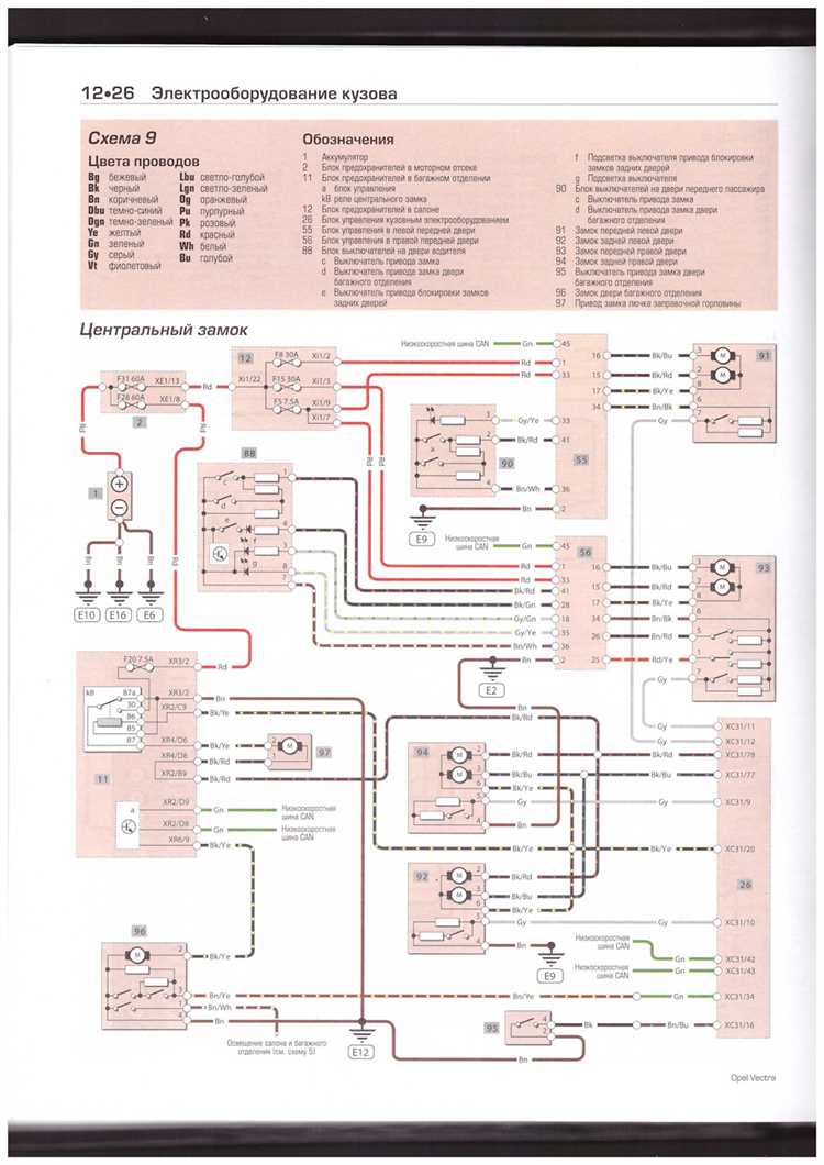
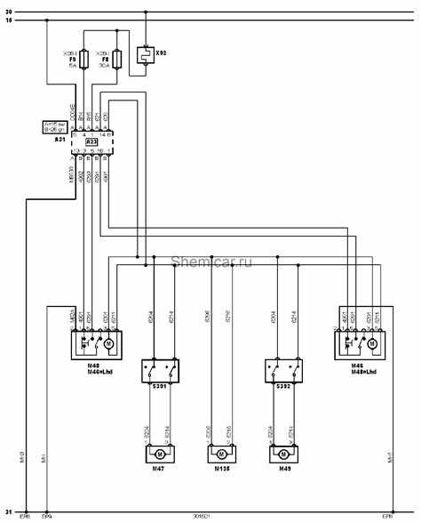
Компоненты системы также играют значительную роль в общей эффективности работы. Качественная проводка, надёжные модули и индикаторы являются важными элементами, которые обеспечивают долгосрочную эксплуатацию и минимизацию неисправностей.
- Элементы управления: Включают в себя кнопки на ключе или панели внутри автомобиля.
- Датчики: Ответственны за определение положения дверей и их состояние.
- Блок управления: Обрабатывает сигналы от пульта и датчиков, управляя работой механизмов.
Таким образом, система автоматического запирания дверей является неотъемлемой частью современной автомобильной безопасности. Она обеспечивает как защиту от угонов, так и удобство для водителя и пассажиров, что делает её важным аспектом при выборе автомобиля.
Основные элементы конструкции

При изучении системы автоматизированного доступа в транспортном средстве можно отметить, что она состоит из нескольких ключевых компонентов. Каждый из этих элементов отвечает за выполнение определённых функций, обеспечивая надежную и безопасную работу системы. В данной статье мы рассмотрим основные составляющие этой конструкции, их взаимодействие и значение в общем механизме.
| Компонент | Описание |
|---|---|
| Блок управления | Электронное устройство, отвечающее за обработку сигналов от пульта и активацию исполнительных механизмов. |
| Исполнительные механизмы | Элементы, отвечающие за открытие и закрытие дверей, которые подают физическую силу для выполнения этих действий. |
| Пульт дистанционного управления | Устройство, позволяющее владельцу осуществлять контроль над доступом к транспортному средству на расстоянии. |
| Датчики | Элементы, фиксирующие положения дверей и передающие информацию о статусе системы в блок управления. |
| Элементы питания | Компоненты, обеспечивающие энергией все элементы системы, включая пульт и блок управления. |
Каждый из этих компонентов играет важную роль в обеспечении функциональности системы. Поддерживая взаимодействие, они создают надежную охрану, способствуя комфортному и безопасному использованию автомобиля.
Принцип работы системы
Основным компонентом является управляющий блок, отвечающий за обработку сигналов от пульта дистанционного управления и других источников. Когда пользователь активирует систему при помощи ключа или кнопки, в блок передается команда, которая инициирует процесс открытия или закрытия. Каждый механизм выполняет задачи согласно полученным указаниям, позволяя обеспечить эффективность и быстроту реагирования.
В дополнение, функциональность зависит от контактных датчиков, устанавливаемых на дверях и багажнике. Они подтверждают состояние каждого элемента и информируют управляющий блок о том, закрыты ли двери или нет, что обеспечивает дополнительный уровень безопасности и предотвращает случайное открытие. Работая в унисон, все компоненты формируют надежную структуру, защищающую авто от угроз.
Для системы также характерна возможность интеграции с другими функциями безопасности, включая сигнализацию и трекеры. Это позволяет сформировать усовершенствованный уровень контроля и мониторинга, который значительно увеличивает защиту транспортного средства. Каждый элемент системы спроектирован с учетом максимальной надежности, что делает ее важной частью любого современного автомобиля.
Преимущества автоматической системы закрытия дверей
Автоматическая система доступа в автомобиль представляет собой удобное и эффективное решение для современных водителей. Она обеспечивает высокий уровень комфорта и безопасности, позволяя пользователям сосредоточиться на вождении, не отвлекаясь на механические операции. Рассмотрим основные причины, по которым такая система становится незаменимой в повседневной эксплуатации автомобиля.
- Удобство использования: Позволяет открывать и закрывать двери с помощью одного нажатия кнопки, что особенно актуально в условиях плохой погоды.
- Безопасность: Обеспечивает защиту от несанкционированного доступа, уменьшая риск кражи благодаря автоматической блокировке при движении.
- Эстетика: Современные решения оформлены в стильном дизайне, что дополняет общий внешний вид автомобиля.
- Экономия времени: Отсутствие необходимости использовать привычные ключи сокращает время на доступ к салону.
Подобные системы также могут обладать дополнительными функциями, расширяющими границы возможностей пользователя и повышающими уровень комфорта при взаимодействии с транспортным средством. Кроме того, их интеграция с другими системами автомобиля открывает новые горизонты для владельцев. Такой подход обеспечивает высокий уровень современности и технологичности вашего автомобиля.
Частые проблемы и их решения
В процессе эксплуатации системы автоматического открытия и закрытия дверей могут возникать различные неисправности. Это обусловлено множеством факторов, таких как старение компонентов, влияние внешней среды и неправильное использование. Рассмотрим наиболее распространенные проблемы и возможные способы их устранения.
1. Неисправность пульта дистанционного управления. Часто владельцы сталкиваются с тем, что кнопки не реагируют на нажатия. Это может быть связано с разряженной батареей. Рекомендуется заменить элемент питания и проверить работоспособность. Если проблема остается, возможно, потребуется пере программирование устройства или его замена.
2. Проблемы с блокировкой дверей. Если двери не закрываются или не открываются автоматически, стоит проверить предохранители, а также электропроводку. В некоторых случаях причина может быть в поврежденном механизме. В таком случае необходимо его осмотреть и при необходимости заменить.
3. Неправильная работа системы безопасности. Порой сигнализация может срабатывать без причины. Это может быть вызвано неисправностью датчиков или неправильно настроенными параметрами. Рекомендуется произвести диагностику системы и откалибровать датчики, чтобы избежать ложных срабатываний.
4. Шумы и скрипы при работе механизмов. Если слышны посторонние звуки, это может означать недостаточное смазывание или загрязнение механизмов. Необходимо очистить и смазать подвижные части, чтобы вернуть им плавность работы и устранить шумы.
5. Проблемы с аккумулятором. Иногда система может работать неправильно из-за низкого заряда батареи автомобиля. Необходимо следить за состоянием аккумулятора и при необходимости проводить его проверку и зарядку.
Своевременное обращение к возможным неисправностям и их устранение могут значительно продлить срок службы системы и обеспечить надежную работу. Регулярное техническое обслуживание предотвратит многие проблемы и обеспечит комфорт и безопасность пользователя.
Инструкция по настройке
Первым шагом является проверка состояния всех элементов системы. Убедитесь, что все подключения выполнены корректно, и нет повреждений проводки. После этого убедитесь, что блок управления исправно функционирует. Для этого можно провести тестирование с помощью специального оборудования или мультиметра.
Следующим этапом будет настройка кодов доступа. Для этого необходимо использовать ключ или дистанционный пульт. Важно следовать инструкциям производителя, чтобы правильно запрограммировать устройство. При этом рекомендуется записать все используемые коды для последующего обращения к ним в случае необходимости.
После завершения настройки желательно провести функциональные тесты. Убедитесь, что все двери открываются и закрываются корректно, а также проверьте работу сигнализации, если такая предусмотрена. Тестирование поможет вовремя обнаружить возможные неисправности.
Наконец, не забудьте ознакомиться с рекомендациями по эксплуатации. Правильное использование системы будет способствовать ее долговечности и сохранению функциональности в течение многих лет. Регулярно проверяйте систему на наличие ошибок, а также следите за состоянием элементов для предотвращения неполадок.
Обслуживание: советы и рекомендации
Первое, на что стоит обратить внимание, – это периодическая проверка элементов управления. Убедитесь, что все кнопки и переключатели функционируют корректо, а сигнализация реагирует на команды. Если замечены какие-либо сбои или задержки в ответах, необходимо произвести диагностику.
Важно также следить за состоянием аккумулятора системы. Регулярно проверяйте уровень заряда и при необходимости заменяйте батареи. Это поможет избежать неожиданной деактивации системы и связанных с этим неудобств.
Не лишним будет проверять состояние проводов и соединений. Обратите внимание на наличие коррозии, повреждений и изломов. При обнаружении проблем следует незамедлительно устранить их, чтобы избежать более сложных и затратных ремонтов.
Наконец, стоит учитывать климатические условия, в которых эксплуатируется транспортное средство. В регионах с повышенной влажностью или низкими температурами необходимо проявлять особую внимательность к функционированию системы. Использование специальных защитных средств или технологий поможет уменьшить влияние неблагоприятных факторов на механизм.
Замена компонентов системы
Процесс обновления и замены деталей системы запирания может оказаться необходимым в целях восстановления ее функциональности и повышения безопасности транспортного средства. При выполнении данной процедуры важно учитывать совместимость новых элементов с уже установленными, чтобы избежать ненужных проблем в будущем.
Перед началом работ рекомендуется тщательно изучить руководство по эксплуатации автомобиля, что поможет определить, какие детали требуют вмешательства. Критически важно использовать только качественные запчасти, так как это напрямую влияет на надежность всей системы.
Для успешной замены следует обеспечить доступ к всем замене подлежащим компонентам. Обычно это включает демонтаж панели или обшивки двери, что требует аккуратности, чтобы не повредить фиксирующие механизмы или проводку. Важно отметить, что некоторые узлы системы могут иметь разные уровни сложности при замене, поэтому выполнение данной процедуры лучше доверить профессионалу, если отсутствует необходимый опыт.
После установки новых элементов необходимо произвести тестирование системы, чтобы убедиться, что все работает корректно. Настройки могут понадобиться, если установленные детали требуют программирования или калибровки для правильного взаимодействия с существующими системами автотранспортного средства.
Устранение неисправностей
Вот некоторые распространённые проблемы и рекомендации по их устранению:
| Проблема | Причина | Решение |
|---|---|---|
| Не открываются двери | Сбои в электронике | Проверьте предохранители. Если они исправны, проведите диагностику системы управления. |
| Звуковой сигнал не срабатывает | Повреждение провода | Осмотрите кабели на наличие изломов или повреждений. Замените при необходимости. |
| При открытии остаются открытыми | Неисправность механизма | Проверьте механизм замка на предмет загрязнений или повреждений. При необходимости смазка или замена механических частей. |
| Двери не запираются автоматически | Проблемы с датчиками | Проверьте датчики, отвечающие за закрытие. Если они загрязнены или повреждены, очистите или замените. |
Систематическая проверка и своевременное обслуживание помогут предотвратить многие неисправности. Рекомендуется также регулярно проверять состояние аккумулятора, так как недостаточный уровень заряда может влиять на работу всей системы. Всегда обращайте внимание на необычные звуки или поведение замков, так как это может быть предвестником более серьёзных проблем.
Советы по повышению безопасности

- Установка дополнительных систем безопасности: Рассмотрите возможность установки сигнализации или системы GPS-трекинга. Они помогут в случае попытки угона и обеспечат дополнительный контроль за автомобилем.
- Использование механических противоугонных устройств: Замки на рулевом колесе или стояночном тормозе могут служить дополнительным барьером для преступников, затрудняя угон автомобиля.
- Регулярные проверки систем: Периодически проверяйте состояние всех замковых механизмов и сигнализаций. Своевременное обслуживание поможет избежать неисправностей в критический момент.
- Не оставляйте ценные вещи на видном месте: Убедитесь, что в машине нет предметов, которые могут привлечь внимание. Лучше всего хранить важные вещи в багажнике или не оставлять их вовсе.
- Парковка в безопасных местах: Выбирайте хорошо освещенные и людные места для парковки. Установите привычку оставлять автомобиль на охраняемых стоянках при возможности.
- Оповещения о попытках доступа: Настройте уведомления о попытках доступа к вашему автомобилю. Современные системы могут отправлять сигналы на ваш телефон.
- Обсуждение мер безопасности с другими водителями: Учитесь на опыте других автомобилистов. Общение в клубах и форумах поможет узнать о лучших практиках защиты транспортных средств.
- Информирование о местных угрозах: Будьте в курсе новых методов угона, применяемых в вашем районе. Знание о возможных угрозах поможет заранее предпринять необходимые меры.
Следуя этим рекомендациям, вы сможете значительно повысить безопасность вашего автомобиля и защитить его от злоумышленников.
Отзывы владельцев
Отзывы владельцев автомобиля, обладающего данной системой доступа, играют важную роль в формировании общего представления о её надёжности и удобстве. Результаты опыта используют автолюбители для оценки функциональности и выявления возможных недостатков. Многие пользователи отмечают, что конструкция системы обеспечивает высокий уровень комфорта и беспроблемного пользования в повседневной эксплуатации.
Среди положительных отзывов выясняется, что владельцы ценят простоту в использовании и быстрый доступ к функциям, особенно в условиях городской суеты. Автомобилисты отмечают, что с системой значительно проще заблокировать и разблокировать двери, что экономит время и делает процесс более удобным в любой ситуации.
Однако не обходится и без критических замечаний. Некоторые автолюбители сообщают о случаях, когда система реагирует медленно или вовсе отказывает. Эти проблемы могут возникать по ряду причин, включая общую изношенность комплектующих или неправильную настройку. Владельцы рекомендуют периодически проверять состояние системы и при необходимости делать профилактическое обслуживание.
Всё же, в целом, большую часть отзывов составляют положительные впечатления о системе, и многие владельцы остаются довольны её возможностями, что делает их автомобиль более современным и удобным в использовании. На форумах и в сообществах автолюбителей часто обсуждают нюансы настройки и обслуживания, делясь советами и рекомендациями друг с другом.







