Поддержание оптимальной температуры двигателя является одной из важнейших задач, стоящих перед автолюбителями. Правильная работа системы, отвечающей за теплоотвод, обеспечивает не только долговечность машины, но и её стабильную производительность на дороге. Зная основные принципы функционирования такого механизма, каждый владелец сможет избежать непредвиденных поломок и повысить комфорт эксплуатации своего транспортного средства.
В данном разделе мы рассмотрим ключевые аспекты устройства, отвечающего за поддержание температуры под капотом. Вы узнаете, какие компоненты составляют этот важный элемент и как они взаимодействуют друг с другом. Кроме того, мы поделимся рекомендациями по обслуживанию и диагностике, что поможет избежать распространенных ошибок и проблем.
Понимание работы этой системы позволит вам быть более уверенным в своем автомобиле, а также сэкономит время и средства на ремонте. Не упустите возможность углубить свои знания и обеспечить надежную защиту двигателя от перегрева, следуя приведенным советам и указаниям.
Основы системы теплообмена
Эффективное функционирование транспортного средства зависит от правильного управления температурным режимом двигателя. Рабочая температура влияет на производительность и долговечность мотора, поэтому необходимо понимать, как устроена система, обеспечивающая теплотрансфер.
Ключевыми компонентами данной системы являются:
- Помпа – элемент, обеспечивающий циркуляцию?кости по замкнутому контуру.
- Радиатор – устройство, которое способствует отведению избыточного тепла в атмосферу.
- Термостат – регулятор, контролирующий температуру жидкости и обеспечивает её циркуляцию только при достижении определенного уровня нагрева.
- Крышка радиатора – элемент, создающий давление в системе, что увеличивает температуру кипения жидкости.
- Контуры трубопроводов – соединения, по которым движется охлаждающая жидкость, связывающие все основные составляющие.
Для обеспечения надежной работы этой системы важно регулярно проводить её обслуживание, включая проверку уровня жидкости, целостности шлангов и исправности термостата. Применение соответствующих антифризов также способствует поддержанию эффективного теплообмена и предотвращает коррозию внутренних элементов.
Неправильная работа данной системы может привести к перегреву двигателя, снизить его производительность и вызвать серьезные поломки. Поэтому забота о данной части автомобиля – это залог его надежности и долговечности.
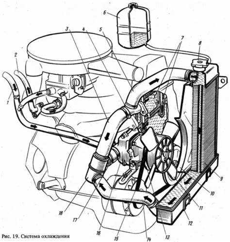
Компоненты системы охлаждения
Управление температурным режимом двигателя требует наличия ряд важных деталей, каждая из которых выполняет свою уникальную функцию. Эти элементы работают в тесной связке, обеспечивая эффективное рассеяние тепла и поддержание оптимальной рабочей температуры агрегата.
Одним из ключевых компонентов является радиатор, который отвечает за теплообмен. Вода, нагретая в двигателе, проходит через радиатор, где охлаждается воздухом, поступающим через решетку кузова. Важным элементом является и водяной насос, который обеспечивает циркуляцию охлаждающей жидкости по системе. Этот насос поддерживает поток жидкости, что предотвращает перегрев.
Термостат контролирует температуру и, в зависимости от оборотов двигателя, открывает или закрывает поток жидкости, обеспечивая необходимую нагрев до рабочей температуры. Важна и расширительная ёмкость, служащая для компенсации изменений объема жидкости при нагреве и охлаждении, тем самым защищая систему от избыточного давления.
Кроме того, не следует забывать о шлангах, обеспечивающих соединение всех элементов системы. Они должны быть герметичными и устойчивыми к воздействию высоких температур и давления. Каждый из этих компонентов играет критическую роль в общем процессе, обеспечивая надежную работу автомобиля и защищая его от перегрева.
Принцип работы радиатора
Радиатор выполняет главную функцию в поддержке стабильной температуры двигателя, обеспечивая его оптимальную работу. Он играет ключевую роль в передаче тепла, которое создается в процессе сгорания топлива, в окружающую среду, предотвращая перегрев агрегата.
Внутри радиатора находится система каналов и трубок, по которым циркулирует охлаждающая жидкость. Когда мотор достигает рабочей температуры, тепло от него передается жидкости, которая затем поднимается вверх и попадает в радиатор. Здесь температура жидкости понижается благодаря воздушному потоку, который проходит через решетку радиатора.
Принцип действия устройства основывается на изменении температуры жидкости. Горячая охлаждающая жидкость, направляясь к радиатору, теряет тепло, проходя через него. Охлажденная жидкость возвращается обратно в мотор, наращивая его охлаждающую способность. Благодаря этому замкнутому циклу достигается максимальная эффективность работы и надежность всей системы.
Кроме того, важную роль в работе радиатора играют вентиляторы, которые помогают создавать дополнительный поток воздуха. Их использование особенно актуально при низкой скорости или в остановленном состоянии автомобиля, когда естественная конвекция недостаточна для эффективного теплообмена.
Подбор антифриза для автомобиля

Правильный выбор охлаждающей жидкости играет ключевую роль в поддержании работоспособности двигателя и всей системы транспортного средства. Антифриз служит не только для понижения температуры кипения, но и предотвращает замерзание в холодный период, а также защищает металлические детали от коррозии.
При выборе антифриза следует учитывать несколько важных аспектов:
- Тип жидкости: Существует множество классов охлаждающих жидкостей, различающихся по составу и температурному режиму. Наиболее популярные типы включают OAT, POAT и IAT.
- Цвет: Цвет антифриза может служить индикатором его состава. Например, зеленый и красный обычно относятся к разным технологиям и присадкам.
- Температурный диапазон: Обратите внимание на диапазон температур, в котором антифриз будет использоваться. Это особенно важно в регионах с экстремальными климатическими условиями.
- Срок службы: У разных производителей различные рекомендации по замене жидкости. Ознакомьтесь с инструкциями, чтобы избежать преждевременного обслуживания или, наоборот, недостаточной защиты.
Важно также помнить, что смешивание различных маркировок может привести к негативным последствиям, таким как образование осадка или снижение защитных свойств. Лучше всего использовать ту охлаждающую жидкость, которая рекомендована автопроизводителем. Это позволит обеспечить оптимальную работу агрегатов и защиту от перегрева или замерзания.
Не забудьте регулярно проверять уровень и состояние антифриза, а также обращайте внимание на возможные утечки. Забота о таких деталях поможет сохранить работоспособность двигателя на долгие годы.
Диагностика утечек и неисправностей

Правильная работа системы теплообмена в автомобиле играет ключевую роль в поддержании его производительности и долговечности. Любые неисправности или утечки могут привести к серьезным последствиям, возникающим не только в рамках системы, но и затрагивающим другие компоненты двигателя. Поэтому важна своевременная диагностика и устранение проблем.
Существует несколько признаков, указывающих на возможные утечки и неисправности. Обратите внимание на следующие симптомы:
| Симптом | Возможная причина |
|---|---|
| Понижение уровня жидкости | Утечка в системе, повреждение радиатора или шлангов |
| Перегрев двигателя | Нехватка жидкости, неисправный термостат или вентилятор |
| Появление пятен жидкости под автомобилем | Проблемы с прокладками или соединениями |
| Неправильная работа термостата | Заедание или повреждение устройства |
| Странные шумы от двигателя | Воздушные пробки или низкий уровень жидкости |
Существует несколько методов проверки на утечки. Первым делом стоит внимательно осмотреть радиатор, шланги и соединения на наличие трещин, коррозии и следов влаги. Также может быть полезно воспользоваться специальными добавками, которые помогают выявить утечки. Эти добавки реагируют с жидкостью и создают видимые признаки утечки.
Помимо визуального осмотра, важно проверить давление в системе. Нормальное давление должно поддерживаться на определённом уровне. Применение манометра позволит более точно установить, есть ли утечки и в каком месте они расположены.
Регулярное обслуживание и диагностика системы теплообмена помогут не только избежать серьезных поломок, но и поддерживать оптимальные технические характеристики автомобиля, что в конечном итоге продлит срок его службы.
Ремонт и замена патрубков
Патрубки играют важную роль в поддержании нормальной работы системы транспортного средства, обеспечивая циркуляцию охлаждающей жидкости. Со временем, под воздействием температур и химических веществ, эти элементы могут подвергаться износу, что приводит к утечкам и другим неисправностям. Замена или ремонт патрубков — важные процедуры, которые помогают предотвратить сбоев в работе мотора.
При осмотре патрубков необходимо обратить внимание на наличие трещин, потертостей и признаков старения. Помимо визуального осмотра, следует проверять их на прочность. Для этого можно слегка сжать патрубок: если он легко деформируется, то это знак его непригодности.
Для замены патрубков потребуется следующее:
| Инструмент | Назначение |
|---|---|
| Набор ключей | Для снятия крепежных элементов |
| Отвертка | Для работы с хомутами |
| Новая охлаждающая система | Замена изношенного элемента |
| Антифриз | Заполнение системы после замены |
Порядок работ включает следующие этапы:
- Отключите двигатель и дайте ему остыть.
- Слейте старую охлаждающую жидкость.
- Снимите хомуты и патрубки.
- Установите новые патрубки на место, фиксируя хомутами.
- Залейте новую охлаждающую жидкость и проверьте на наличие утечек.
Регулярная проверка и замена патрубков помогут избежать чрезмерных затрат на ремонт и обеспечат надежную работу вашего автомобиля. Качество используемых материалов также имеет большое значение для долговечности новых элементов.
Чистка и обслуживание радиатора
Первым шагом в уходе за радиатором является его визуальный осмотр. Обратите внимание на внешние загрязнения, такие как пыль, грязь и насекомые, которые могут блокировать потоки воздуха. Для очистки поверхности рекомендуется использовать струю воды под давлением, чтобы удалить накопившиеся загрязнения.
Внутренняя чистка радиатора также играет ключевую роль в поддержании его работоспособности. Со временем внутренние каналы могут забиться ржавчиной, остатками охлаждающей жидкости или накипью. Чтобы удалить эти отложения, можно использовать специальное средство для промывки, следуя инструкциям на упаковке.
Также стоит обратить внимание на уровень и качество антифриза. При необходимости его замены следует использовать жидкости, рекомендованные производителем автомобиля. Это поможет избежать коррозии внутри системы и продлить срок службы радиатора.
Не забывайте про шланги и соединения, которые могут изнашиваться со временем. Регулярно проверяйте их на предмет утечек и трещин. В случае обнаружения проблем, лучше сразу произвести замену, чтобы избежать более серьезных поломок.
Комплексное обслуживание и регулярная проверка состояния радиатора позволят избежать неисправностей в системе терморегуляции и гарантировать стабильную работу двигателя на протяжении всего срока службы автомобиля.
Установка термостата: пошаговая инструкция
Шаг 1: Подготовка. Прежде чем приступить к установке, убедитесь, что у вас есть все необходимые инструменты: ключи, отвертки, а также новый термостат и прокладки. Придерживайтесь правил безопасности, отключив аккумулятор.
Шаг 2: Слив антифриза. Для того чтобы избежать грязи и перегрева, необходимо слить охлаждающую жидкость из системы. Используйте емкость для сбора и следите за тем, чтобы не повредить детали.
Шаг 3: Найдите расположение термостата. Обычно он установлен на вводе охлаждающей жидкости, прикреплен к головке блока цилиндров. Снимите патрубки и откройте доступ к узлу.
Шаг 4: Удаление старого термостата. Открутите гайки или болты, фиксирующие термостат, и аккуратно извлеките его. Проверьте состояние прокладок и уберите остатки старой герметики.
Шаг 5: Установка нового термостата. Поместите новый элемент на место, убедившись в правильной ориентации. Используйте новые прокладки для надежной герметизации.
Шаг 6: Обратная сборка. Подключите все открученные патрубки. Убедитесь, что все элементы надежно закреплены и нет ни одной утечки.
Шаг 7: Заполнение системы. Аккуратно залейте новую охлаждающую жидкость, предварительно проверив, соответствует ли она требованиям. Запустите двигатель и дайте ему поработать, контролируя уровень жидкости.
Шаг 8: Проверка и тестирование. После того как двигатель прогреется, проверьте работу нового термостата. Убедитесь, что температура находится в нормальных границах и нет лишних звуков или утечек.
Следуя этой инструкции, вы сможете самостоятельно заменить термостат и улучшить эффективность работы вашего автомобиля.
Советы по эксплуатации автомобиля летом
Летние месяцы представляют собой особый период для владельцев транспортных средств. В это время года стоит обратить внимание на некоторые аспекты, чтобы обеспечить комфорт и надежность работы автомобиля в условиях повышенных температур.
- Регулярная проверка уровня жидкости: Важно следить за количеством охлаждающей жидкости, чтобы избежать перегрева двигателя. Прежде чем отправиться в путь, проверьте уровень антифриза и долейте при необходимости.
- Проверка состояния радиатора: Убедитесь, что радиатор чистый и свободен от загрязнений, чтобы способствовать оптимальному теплообмену. Сбор грязи или насекомых может значительно снизить его эффективность.
- Следите за температурой двигателя: Установите специальные приборы или используйте существующие для контроля температурного режима. При появлении признаков перегрева необходимо остановиться и дать двигателю остыть.
- Проверка состояния фильтров: Воздушные фильтры должны быть в хорошем состоянии для обеспечения оптимального потока воздуха в двигатель. Периодически очищайте или меняйте их.
- Правильное топливо: Использование качественного топлива поможет избежать возникновения проблем в системе питания и предотвратит преждевременный износ двигателя.
Учитывая вышеуказанные рекомендации, можно значительно увеличить надежность и продлить срок службы автомобиля в условиях летней жары, обеспечивая беззаботные поездки и комфорт на дороге.







